- Главная
- Продукты по назначению
- Коробки отбора мощности (КОМ)
- Рубрики
- Втулки скольжения и подшипники
- Гидравлические делители / сумматоры потока
- Гидравлические клапаны
- Гидравлические краны (диверторы)
- Гидравлические трубы
- Гидравлические фильтры
- Гидробаки
- Гидромоторы
- Гидронасосы
- Гидрораспределители
- Гидростанции
- Гидроцилиндры
- Коробки отбора мощности (КОМ)
- Манометры и микрошланги
- Мультипликаторы давления
- Ремкомплекты уплотнений
- Ротаторы
- Рукава высокого давления (РВД)
- Соединительная арматура
- Средства управления гидравликой
- Теплообменники
- Уплотнительные элементы
- Рубрики
- Коробка отбора мощности (КОМ) Mercedes
- КОМ Mercedes PTO-14 для Atego (6/7 отверстий)
Нашли товар дешевле у другого поставщика? Присылайте информацию, и мы сделаем Вам лучшее предложение!*
*- акция действует на товары одинакового бренда (завода-изготовителя). Для товаров аналогов - будет предложена минимально возможная цена. Для подтверждения цены требуется КП или счет от другого поставщика.
КОМ Mercedes PTO-14 для Atego (6/7 отверстий)
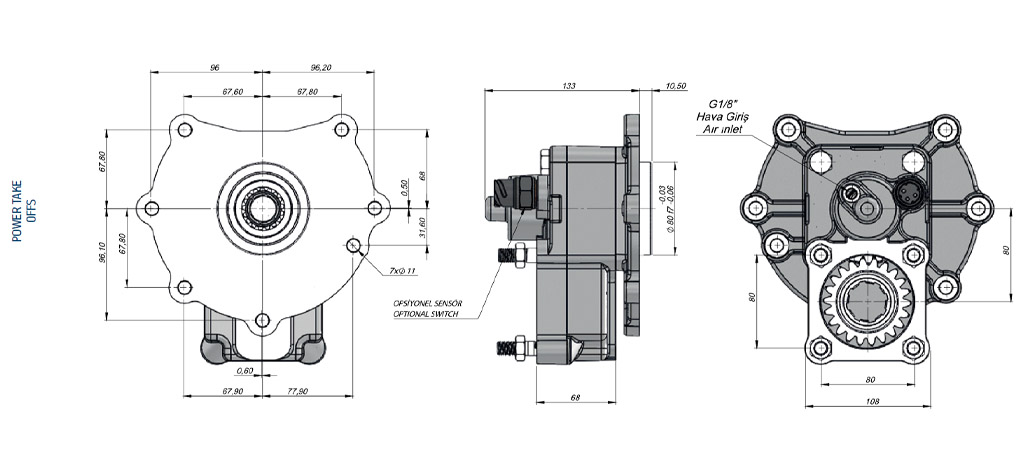
Коробка отбора мощности PTO-14 специально разработана для Mercedes Atego
Тип крепления:
- 6 отверстий (стандартное крепление)
- 7 отверстий (усиленная версия для тяжелых условий)
Фланец: ISO 7653 (SAE A/B) – совместим с европейским оборудованием
Управление: Пневматическое (дистанционное из кабины)
Крутящий момент: До 700 Нм (зависит от модификации)
Совместимость:
- Mercedes Atego (модели с механической и автоматической КПП)
- Двигатели: OM 934, OM 936, OM 470
Применение
- Краны-манипуляторы (Palfinger, Hiab, Fassi)
- Гидравлические системы (мультилифты, коммунальная техника)
- Спецоборудование (лебедки, насосы, буровые установки)
Аналоги и замены
|
Производитель |
Модель |
Тип фланца |
Крепление |
|---|---|---|---|
|
ZF |
ZF PTO-85 |
SAE B |
6 отверстий |
|
Eaton |
Eaton PTO-22 |
SAE A |
6 отверстий |
|
Meiller |
Meiller M-14 |
ISO 7653 |
7 отверстий |
| PTO 14 ATEGO 6 HOLES | |||||||
|---|---|---|---|---|---|---|---|
| Маркировка | Пневматическое рабочее давление | Модель КПП | Система управления | Выходной крутящий момент | Мощность | Выходная скорость | Направление вращения |
| PT2ZFAS1256WS | 7 — 12 Бар | G56-6(6,291) | Пневматическое | 1,35 | 300 Н/м | 30 л.с. | левое |
| PT2ZFAS1256SW | |||||||
| PTO 14 ATEGO 7 HOLES | ||||||||
|---|---|---|---|---|---|---|---|---|
| Маркировка | Пневматическое рабочее давление | Модель КПП | Система управления | Соотношение | Выходной крутящий момент | Мощность | Выходная скорость | Направление вращения |
| PT2ZFAS1260WS | 7 — 12 Бар | G 60-6/9,2, G 60-6/9, 2 (GC5), G 85-6/6,70 (GC6) |
Пневматическое | 1.35 | 300 Н/м | 30 л.с. | 700 | левое |
| PT2ZFAS1260SW | ||||||||


+7 (812) 748-29-00