Гидрораспределитель HC-D6/6 (85010) для гидроманипуляторов Майкоп (1НС06060028)

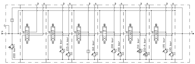
Гидрораспределитель HC-D6/6 – это шестисекционный гидрораспределитель (1НС06060028/85010) от итальянской фирмы Walvoil / Hydrocontrol до 100 л./мин. и 350 бар для гидроманипуляторов Майкоп (ЛВ-185-10, ЛВ-185-14) на основные операции, оснащенный одним главным и девятью вторичными предохранительными клапанами.
Основные характеристики HC-D6/6:
|
Тип |
золотниковый, секционный |
|---|---|
|
Количество секций |
6 |
|
Номинальный расход |
100 л./мин. |
|
Рабочее давление |
350 бар |
|
Диапазон рабочих температур |
от -400 до +600 C |
|
Диапазон вязкости рабочей жидкости |
от 10 до 460 cSt |
Гидрораспределители Hydrocontrol серии HC-D6 — универсальные распределители, которые имеют широкую сферу применения, благодаря своим конструктивным особенностям: симметричный корпус, что позволяет установить модуль управления золотником с любой стороны, имеется возможность установить вторичные клапаны, возможно последовательное, параллельное и тандемное соединение золотников.
Аналоги гидрораспределителя HC-D6:
|
Производитель |
Модель-аналог |
|---|---|
|
Walvoil |
SDM140/6 |
|
NordHydraulic |
RM316 |
|
Гидросила |
6MRS120.B1.OP-018.000 |
Цена гидрораспределителя
Гидрораспределитель HC-D6/6 (85010) – 149 990 руб./шт. с НДС


+7 (812) 748-29-00