Гидрораспределитель SDS180/4 для автокранов Ивановец КС-45717К-3Р (115400059/118400268)

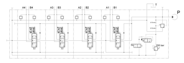
Гидрораспределитель SDS180/4 Walvoil (Италия) – это четырехсекционный гидрораспределитель, применяется на автокранах Ивановец 25 тонн КС-45717К-3Р (115400059/118400268) для основных операций, оснащен электромагнитным клапаном разгрузки в напорной секции и датчиками (концевиками хода золотника) в каждой рабочей секции для аварийной системы автокрана.
Основные характеристики:
|
Наименование |
Значение |
|---|---|
|
Тип |
Золотниковый, с механическим управлением, с электромагнитным клапаном разгрузки 24В, с концевиками хода золотника. |
|
Номинальный расход, л/мин: |
160 |
|
Максимальное давление, бар: |
315 |
|
Максимальное давление |
250 |
|
Максимальное давление в сливной линии Т, бар: |
25 |
|
Количество секций: |
4 |
Применение:
Помимо автокранов, распределители серии SDS180 используются в гидравлических системах экскаваторов, погрузчиков, бульдозеров, буровых установок.
Цена гидрораспределителя SDS180/4
Гидрораспределитель SDS180/4/BCH(G4-250)ELT/ES-S-1CS8MG19\MG29(NC\NC)SLP/ES-18MG19\MG29(NC\NC)SLP/ES-18MG19\MG29(NC\NC)SLP/ES-18MG19\MG29(NC\NC)SLP/RC-24VDC – 162 999 руб./шт. с НДС


+7 (812) 748-29-00