- Главная
- Продукты по назначению
- Коробки отбора мощности (КОМ)
- Рубрики
- Втулки скольжения и подшипники
- Гидравлические делители / сумматоры потока
- Гидравлические клапаны
- Гидравлические краны (диверторы)
- Гидравлические трубы
- Гидравлические фильтры
- Гидробаки
- Гидромоторы
- Гидронасосы
- Гидрораспределители
- Гидростанции
- Гидроцилиндры
- Коробки отбора мощности (КОМ)
- Манометры и микрошланги
- Мультипликаторы давления
- Ремкомплекты уплотнений
- Ротаторы
- Рукава высокого давления (РВД)
- Соединительная арматура
- Средства управления гидравликой
- Теплообменники
- Уплотнительные элементы
- Рубрики
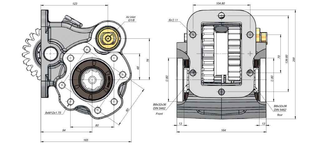
- Коробка отбора мощности (КОМ) КамАЗа
- КОМ ISO KAMAZ
Нашли товар дешевле у другого поставщика? Присылайте информацию, и мы сделаем Вам лучшее предложение!*
*- акция действует на товары одинакового бренда (завода-изготовителя). Для товаров аналогов - будет предложена минимально возможная цена. Для подтверждения цены требуется КП или счет от другого поставщика.
КОМ ISO KAMAZ
Коробка отбора мощности (КОМ) стандарта ISO на автомобилях КАМАЗ (в том числе модели 65111) предназначена для совместимости с европейским навесным оборудованием, таким как гидравлические насосы, краны-манипуляторы и другие системы, требующие отбора мощности.
Особенности КОМ ISO на КАМАЗ:
- Стандартизированный фланец– соответствует международному стандарту ISO 7653 (аналог SAE), что позволяет подключать широкий спектр навесного оборудования.
- Тип привода– обычно механический (рычажный) или пневматический (управление с кабины).
- Передаточное число– чаще всего 1:1 или с понижением (зависит от модели).
- Место установки– на раздаточной коробке или КПП (в зависимости от модификации шасси).
Популярные модели КОМ ISO на КАМАЗ:
- КОМ-180 (ISO)– с фланцем под стандарт ISO 7653 (SAE A).
- КОМ-160 (ISO)– менее мощная, но также совместимая с европейским оборудованием.
- ZF (для автоматических КПП)– если КАМАЗ оснащен коробкой ZF, возможен вариант КОМ от производителя ZF.
Где применяется?
- Краны-манипуляторы (Palfinger, Fassi, Hiab и др.)
- Гидронасосы для самосвальных платформ
- Спецтехника (мусоровозы, коммунальные машины)

+7 (812) 748-29-00