- Главная
- Продукты по назначению
- Коробки отбора мощности (КОМ)
- Рубрики
- Втулки скольжения и подшипники
- Гидравлические делители / сумматоры потока
- Гидравлические клапаны
- Гидравлические краны (диверторы)
- Гидравлические трубы
- Гидравлические фильтры
- Гидробаки
- Гидромоторы
- Гидронасосы
- Гидрораспределители
- Гидростанции
- Гидроцилиндры
- Коробки отбора мощности (КОМ)
- Манометры и микрошланги
- Мультипликаторы давления
- Ремкомплекты уплотнений
- Ротаторы
- Рукава высокого давления (РВД)
- Соединительная арматура
- Средства управления гидравликой
- Теплообменники
- Уплотнительные элементы
- Рубрики
- Коробка отбора мощности (КОМ) КамАЗа
- КОМ UNI KAMAZ BOTH SIDE
Нашли товар дешевле у другого поставщика? Присылайте информацию, и мы сделаем Вам лучшее предложение!*
*- акция действует на товары одинакового бренда (завода-изготовителя). Для товаров аналогов - будет предложена минимально возможная цена. Для подтверждения цены требуется КП или счет от другого поставщика.
КОМ UNI KAMAZ BOTH SIDE
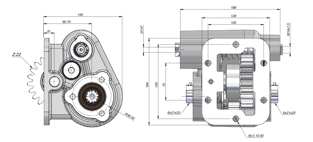
Коробка отбора мощности (КОМ) UNI (BOTH SIDE) для КАМАЗ — это универсальная модель с двусторонним отбором мощности, позволяющая подключать дополнительное оборудование как с левой, так и с правой стороны трансмиссии.
Основные особенности КОМ UNI (BOTH SIDE) на КАМАЗ:
- Двусторонний отбор мощности– возможность подключения оборудования с двух сторон (например, гидронасос + лебедка или два гидронасоса).
- Стандартный фланец ISO/SAE– совместимость с европейским навесным оборудованием (Palfinger, Hiab, Fassi и др.).
- Тип привода– механический (рычажный) или пневматический (управление из кабины).
- Установка– на раздаточную коробку или КПП (в зависимости от модификации).
- Передаточное число– обычно 1:1, но бывают модели с понижением.
Где применяется?
- Краны-манипуляторы (Palfinger, Hiab, Amco Veba)
- Гидравлические системы (самосвалы, мультилифты, коммунальная техника)
- Спецоборудование (лебедки, буровые установки, пожарные насосы)
Популярные модели КОМ UNI (BOTH SIDE) на КАМАЗ
|
Модель КОМ |
Тип фланца |
Управление |
Применение |
|---|---|---|---|
|
UNI-160 (BOTH SIDE) |
ISO/SAE A |
Механическое/Пневмо |
Гидронасосы, краны |
|
UNI-180 (BOTH SIDE) |
ISO/SAE B |
Пневмо/Электро |
Тяжелое оборудование |
|
ZF (для АКПП) |
ISO/SAE |
Автоматическое |
Для КПП ZF |

+7 (812) 748-29-00